常見的電流互感器故障引起的原因:
常見的電流互感器故障引起的原因:
互感器發生故障的原因,發現將其歸類以后主要分為以下幾個方面:
(1)在交流電路回路中,如果回路中試驗接線端子的結構存在缺陷,端子的質量得不到保證,那么電流互感器在運行過程中就很可能因為這個原因而發生螺桿與銅板螺孔接觸不良問題,進而造成電路開路。
(2)在交流電路回路的修試工作中,如果相關修試人員出現了工作失誤,比如忘記接好電路中的繼電器保護裝置等,那么電路在運行發生故障的概率就會大大提高。
(3)當交流電路回路中試驗端子的連接片膠木頭長度過長時,旋轉端子上的金屬片很有可能壓不到連接片,無法與連接片進行接觸,就只能退而求其次,壓在木膠頭上,進而導致電路開路。
?。?)如果二次線端子的接頭連接不緊實、不牢靠,那么當交流電路回路中的電流過大時,就很有可能導致二次線端子接頭被燒壞和氧化,導致電路開

常見的電流互感器故障引起對應處理方法:
1.出現異常聲音或鐵芯過熱的處理。在電流互感器運作過程中,如果出現二次回路開路或過負荷等問題,則會產生異常聲音或者鐵芯嚴重過熱現象。假如沒有均勻涂刷半導體漆面,也容易產生較大的聲音。所以,如果有不正常聲音或鐵芯過熱現象出現在電流互感器的運行中,需要對側儀表的實際情況進行詳細觀察,從而及時將故障產生的原因找出。如果是較大負荷造成的互感器出現異常,需要將負荷適當降低,并保證其能夠滿足額定負荷要求,另外還要繼續觀測電流互感器的具體運行情況;如果是二次回路導致互感器出現異常,要即刻停止設備運行;如果是絕緣損壞導致產生放電問題,需要對電流互感器及時更換。
2.異常運行的處理。在電流互感器操作環節,可能會出現開路、發熱問題,也可能會出現螺栓松動、聲音怪異等問題,這時工作人員對這些問題進行處理時需要采取科學有效的措施,如在判斷電流互感器二次回路開路問題時,需要對表計指示、聲音等情況進行全面思考;在對電流互感器的發熱情況進行檢測時,能夠通過試溫蠟片進行測試。尤其是檢查二次回路開路時,如果有問題出現,則電流表的指示則為“0”,而且電能表此時為停止狀態,隨后有嗡嗡聲出現,這時電流互感器內會出現異常的聲音,進而燒焦大量端子排。一旦上述任意一種情況出現在電流互感器運行過程中,都需要即刻停止設備運行。
3.二次回路開路處理。在電流互感器運行中,二次側高壓現象可能會因為鐵芯中磁通飽和而產生,從而導致放電現象產生在二次回路開路點,進而發生放電聲或放電火花現象。另外,鐵芯的損耗會因為磁通飽和而增強且發熱,這種情況下會導致異味和異常聲音產生于絕緣材料中。與此同時,電能表轉速出現異常現象一般是由于電流互感器二次側相連接的電流表無指示或指示搖擺不定所造成的。所以,電流互感器二次側一旦在互感器運行過程中出現開路現象,需要及時停止設備運行,并采取有效措施處理。一旦沒有辦法進行停電,需要把一次負載電流盡快降低,將電流互感器二次回路通過絕緣工具在開路點前進行線路連接,使其形成短路,在故障排除以后,再將短路線拆除。
4.確保一次端子引線接頭具有良好的接觸。日常定期檢查一次端子引線接頭部位的接觸情況,確保接觸面積充足,另外要避免過熱性故障的產生。需要將膨脹器外罩與L2端子的等電位連接做好,避免出現電位懸浮。同時將防轉動措施應用到二次線引出斷,避免內部引線扭斷因外部操作而產生。
5.確保測試值正常。在電流互感器運行中測得介質損耗因數tg值出現異常,需要對tg與溫度、電壓的關系進行綜合分析;當tg隨著試驗電壓的增加而出現明顯溫度變化時,需要及時停止運行。如果色譜分析結果出現異常,則需要對其增長趨勢進行考察,對具體數據進行跟蹤分析,及時找出原因采取有效措施。
6.電流互感器退磁檢查?;ジ衅麒F芯產生剩磁可能會導致電流突然下降。如在大電流情況下電流互感器會切斷二次繞組和電源突然開路。當剩磁存在于互感器鐵芯中時,造成鐵芯磁導率出現下降,對互感器性能產生一定影響。經過長時間使用的互感器需要進行退磁。
電流互感器常見故障處理對應表
油浸式電流互感器常見異常處理表
|
序號 |
異常描述 |
處理方式 |
處理措施 |
|
1 |
電流互感器滲油,油位可見 |
現場處理 |
檢查確認漏點,堵漏,補油 |
|
2 |
投運前油位超過上限位 |
現場處理 |
放油至合適油位 |
|
3 |
互感器有異常聲音 |
現場處理 |
檢查二次接線,確保二次接線無開路、無虛接 |
|
4 |
直流電阻異常 |
現場處理 |
檢查測試接線、清理夾持部位氧化層、復測 |
|
5 |
電流比測試異常 |
現場處理 |
檢查一次串并聯,檢查測試接線,提高測試電流 |
|
6 |
膨脹器(外罩)頂起 |
更換產品 |
立即退出運行 |
|
7 |
其他異常 |
/ |
請聯系制造廠服務部 |
SF6電流互感器常見異常處理表
|
序號 |
異常描述 |
處理方式 |
處理措施 |
|
1 |
現場密控器報警 |
現場處理 |
1、密控器拆下校驗,如有問題更換密控器; 2、產品檢漏,如存在漏氣故障請聯系制造商服務部。 |
|
2 |
電流比測試異常 |
現場處理 |
檢查一次串并聯,檢查測試接線,提高測試電流 |
|
3 |
防爆片破裂 |
更換產品 |
立即退出運行 |
|
4 |
其他異常 |
/ |
請聯系制造廠服務部 |
5、澆注電流互感器常見異常處理表
|
序號 |
常見問題 |
處理方式 |
解決方案 |
|
1 |
產品變比試驗正確,安裝后二次電流異常 |
現場處理 |
1、檢查互感器二次端子處的引線是否有毛刺搭接; |
|
2 |
發電機出口(進線柜)母線式互感器一次銅排與互感器放電 |
現場處理 |
檢查互感器屏蔽線是否與一次銅排固定牢固 |
如何避免電流互感器常見問題的出現
電流互感器投入運行前檢查
— 閱讀所有有關互感器投入運行的內部規章制度、使用手冊。
— 查看二次接線板應無磕碰、劃傷等損壞。
— 裝配前,產品澆注體表面應無磕碰、劃傷、打磨等缺陷,確保表面潔凈。
— 檢查互感器外觀應無損壞,特別是無開裂現象。
— 檢查二次接線,確保無繞組連接故障。確定各個接觸點接觸良好。接地端必須在底座上。
— 測量各繞組的直流電阻,測量值與制造廠出廠值的差別不得大于 12%(折算到同一溫度)。
— 測量空載電流和空載損耗,測量值與制造廠出廠值得差別不得大于 30%。
— 測量各繞組之間及對地的絕緣電阻,在室溫下,用 2kV 兆歐表進行測量,其測量值應與出廠
值無實際差異。
— 互感器各二次繞組和剩余電壓繞組均不允許短路。
電流互感器定期的進行檢查和維護
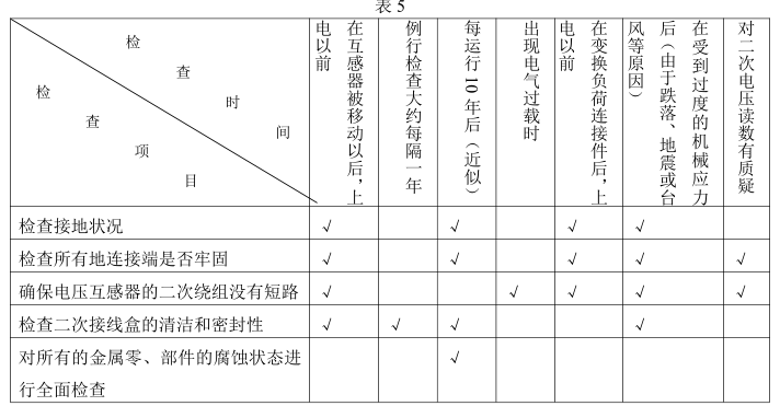
為了更好地使產品運行,我們建議按表 5 的項目及時間檢查,在檢查互感器時按表 6 清單檢
查并填寫記錄
檢查接地狀況
檢查柜體內的接地螺栓的連接是否牢固。
當互感器運行時,其箱體必須總是接地。應用箱體上的接地板。
每個二次繞組不能接地兩次以上(即在同一點不能接地兩次以上)
檢查所有地連接端
是否牢固
所有的連接包括螺栓連接都必須牢固,接觸電阻低。
而且它們都必須是耐腐蝕的。
確保電壓互感器的
二次繞組沒有短路
接在二次繞組上的負荷不能超出額定值(參見銘牌數據)。
沒有使用的二次繞組必須在接線端處末端接地。